Explore with us
November 2025 Image
Learn about November's amazing image. Explore related topics, activities, games, and download desktop wallpaper.
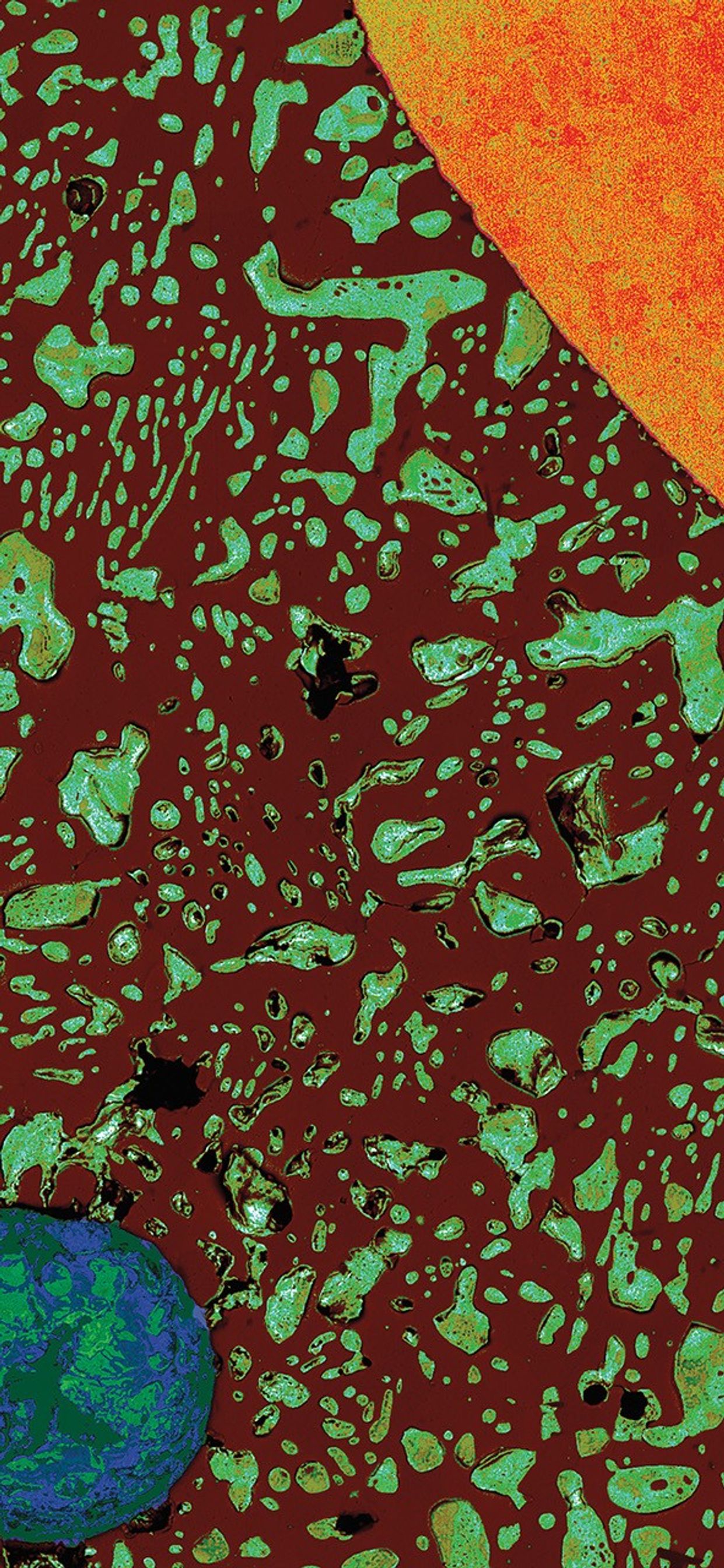
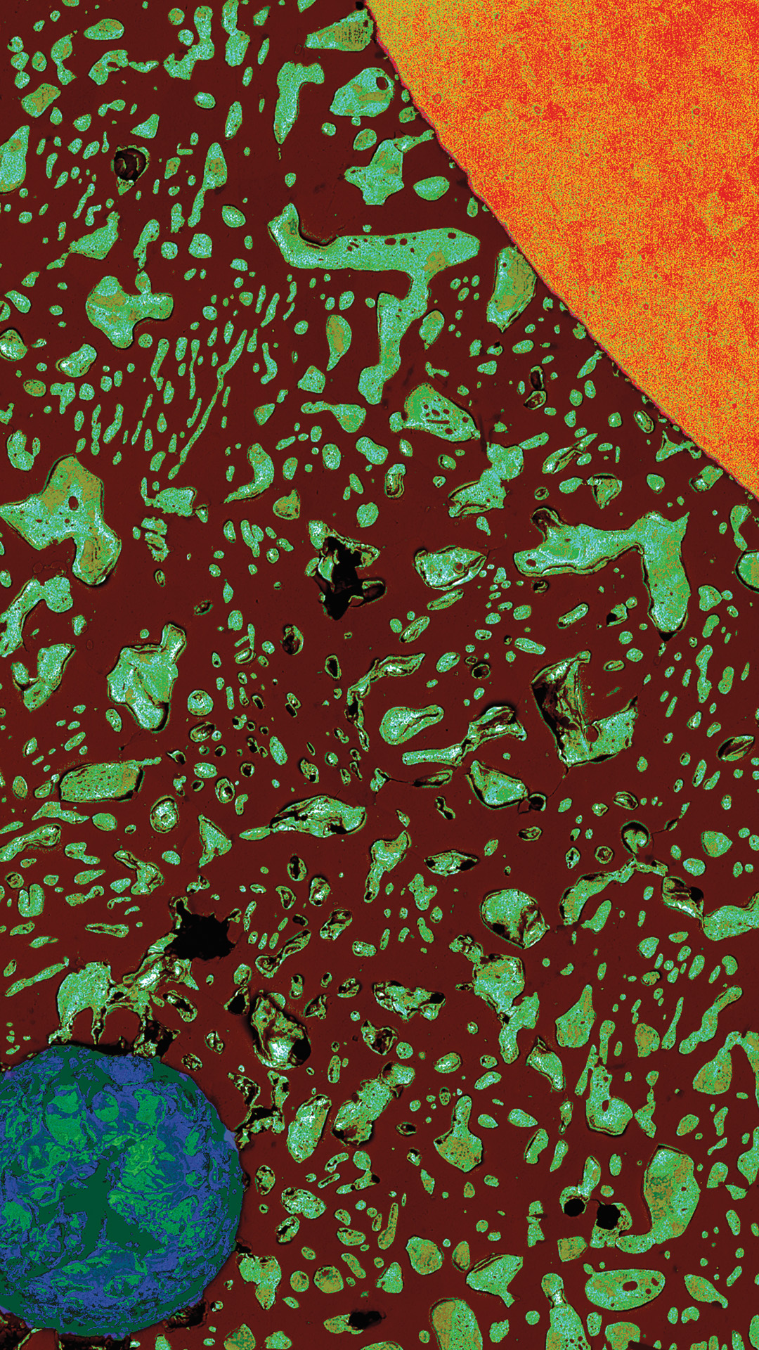
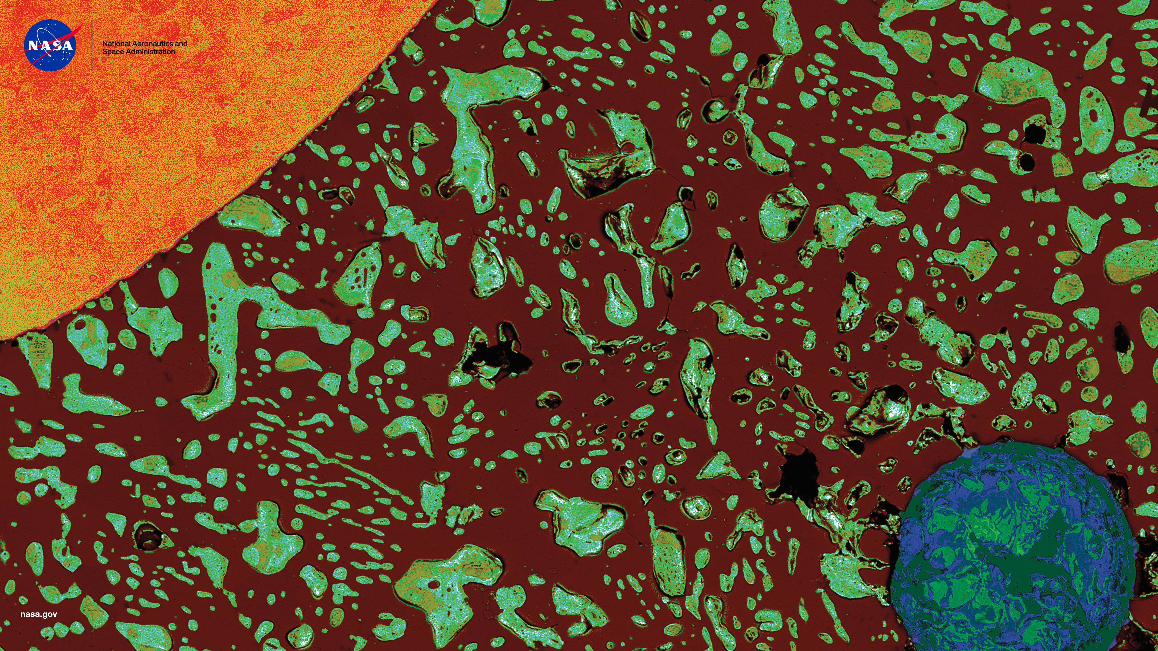
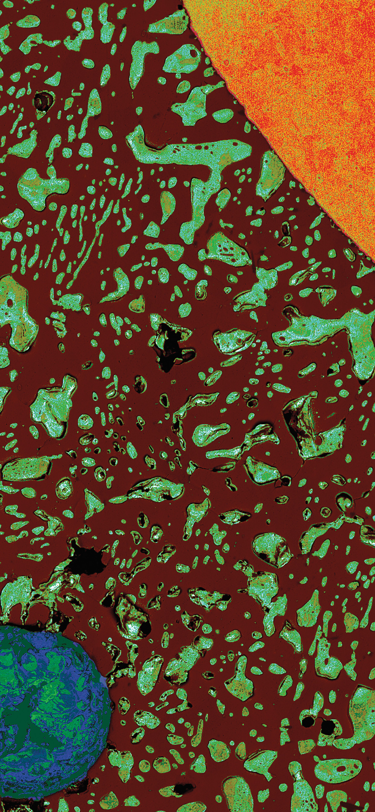
Solar System Parallelism Inside a Solder Bead
-
Soldering is an essential manufacturing step for joining electrical conductors. It involves the melting and solidification of materials which can result in voids and shrinkage during the process. To improve the soldering process on Earth--and enable deep-space repairs and manufacturing in space--researchers conducted experiments aboard the International Space Station (ISS). Solidified solder beads were made aboard the station in the microgravity environment and returned to Earth for investigation, where researchers cut, polished, and photographed the samples under a microscope. This photograph shows a copper wire (orange, upper left) and void (blue-green circle, lower right) surrounded by dark brown and greenish-blue solder material, resembling a solar system with the wire as the sun and void as Earth.
Image and text credit: Iowa State University/Manish Kumar and Siddhartha Pathak
You can do NASA science!
-
Can you code or analyze data? Want to help astronauts live better in space? Join one of these Analysis Working Groups!
High above Earth, an astronaut looks out into space and to all the places humans might travel in the future.Image credit: NASA
Discover More about Biological & Physical Sciences

What Are Quasicrystals, and Why Does NASA Study Them?
Quasicrystals are unique materials with non repeating atomic patters. Studying this in microgravity can lead to major advancements in space technology.

Why Does NASA Study Soft Matter in Space?
Understanding how soft matter behaves in space, without gravity, can provide valuable insights that can lead to improvements in tech, medicine and everyday products on Earth.

Why NASA Studies Crystals?
Optimizing crystal growth in microgravity can lead to advancements in medicine and technology.

How (and why) do NASA researchers simulate microgravity on Earth?
NASA simulates microgravity on Earth using drop towers and parabolic flights to test experiments safely and affordably before sending them to space.

Biological & Physical Sciences Programs
Designed for younger learners, Space Place has fun facts, activities and games about Jupiter and our solar system.

Space Labs
NASA’s Space Labs use research capabilities across a spectrum of spaceflight environments—from suborbital and low Earth orbit to deep space and other worlds—to push the boundaries of scientific knowledge.
Revolutionary Research in Extraordinary Places
Discover NASA's Biological & Physical Sciences (BPS) 2024 highlights, showcasing revolutionary research in in extraordinary places to advance space exploration and benefit life on Earth. Featuring 4 launches to the Space Station, 17 BPS payloads delivered, over 180 active investigations, and 100+ peer-reviewed papers. Highlights include pioneering NASA-funded research aboard Blue Origin NS-26 with Robert Ferl and Anna-Lisa Paul. Engaging over 40,000 students and researchers through training and outreach programs, BPS continues to inspire the next generation of scientists.
Watch on YouTube2025 NASA Science Calendar
Download our latest calendar and wallpaper backgrounds for your desktop or mobile device, and discover the fascinating science behind the images featured each month.
Download Options
Explore our other featured images

January 2025

February 2025

March 2025

April 2025

May 2025

June 2025

July 2025

August 2025

September 2025









