Description
6 March 2006
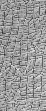
This Mars Global Surveyor (MGS) Mars Orbiter Camera (MOC) image shows a frosty, springtime scene in the north polar region of Mars. The area is blanketed by a maze of sand dunes; their appearance is enhanced by subliming, seasonal carbon dioxide frost.
Location near: 80.2°N, 168.8°W
Image width: ~3 km (~1.9 mi)
Illumination from: lower left
Season: Northern Winter







