Description
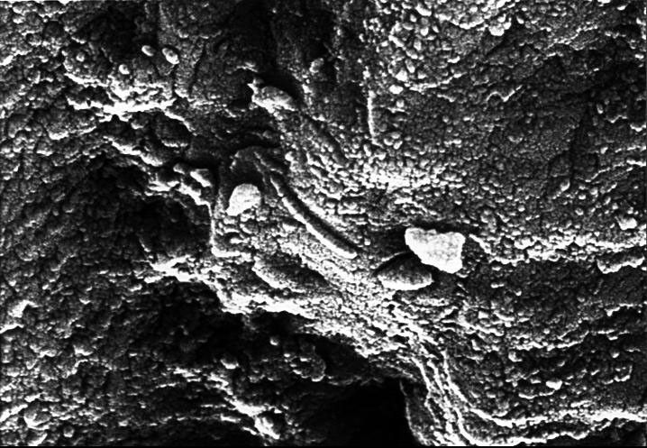
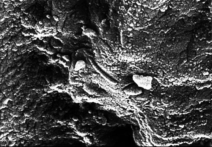
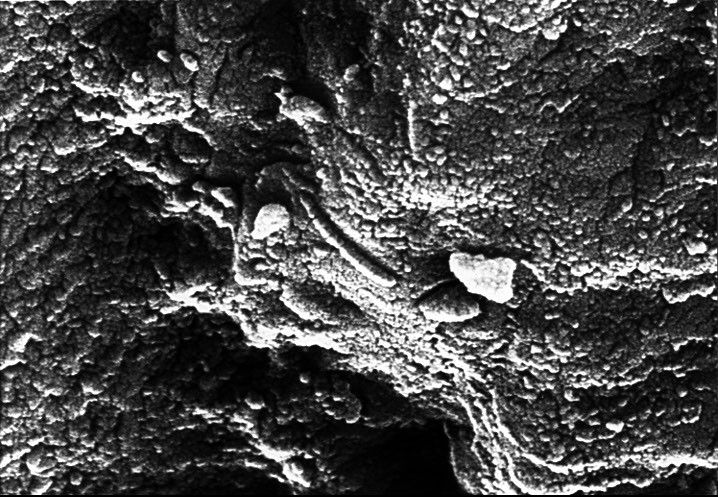
This high-resolution scanning electron microscope image shows an unusual tube-like structural form that is less than 1/100th the width of a human hair in size found in meteorite ALH84001, a meteorite believed to be of Martian origin. Although this structure is not part of the research published in the Aug. 16 issue of the journal Science, it is located in a similar carbonate glob in the meteorite. This structure will be the subject of future investigations that could confirm whether or not it is fossil evidence of primitive life on Mars 3.6 billion years ago.
A NASA research team of scientists at the Johnson Space Center and at Stanford University has found evidence that strongly suggests primitive life may have existed on Mars more than 3.6 billion years ago. The NASA-funded team found the first organic molecules thought to be of Martian origin; several mineral features characteristic of biological activity; and possible microscopic fossils of primitive, bacteria-like organisms inside of an ancient Martian rock that fell to Earth as a meteorite. This array of indirect evidence of past life will be reported in the Aug. 16 issue of the journal Science, presenting the investigation to the scientific community at large to reach a future consensus that will either confirm or deny the team's conclusion.







