Description
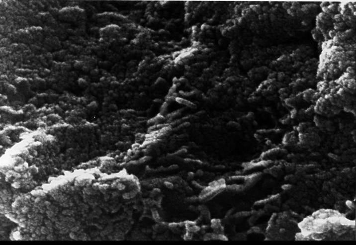
This electron microscope image shows tubular structures of likely Martian origin. These structures are very similar in size and shape to extremely tiny microfossils found in some Earth rocks. This photograph is part of a report by a NASA research team published in the Aug. 16, 1996, issue of the journal Science. A two-year investigation by the team found organic molecules, mineral features characteristic of biological activity and possible microscopic fossils such as these inside of an ancient Martian rock that fell to Earth as a meteorite. The largest possible fossils are less than 1/100th the diameter of a human hair in size while most are ten times smaller.
A NASA research team of scientists at the Johnson Space Center and at Stanford University has found evidence that strongly suggests primitive life may have existed on Mars more than 3.6 billion years ago. The NASA-funded team found the first organic molecules thought to be of Martian origin; several mineral features characteristic of biological activity; and possible microscopic fossils of primitive, bacteria-like organisms inside of an ancient Martian rock that fell to Earth as a meteorite. This array of indirect evidence of past life will be reported in the Aug. 16 issue of the journal Science, presenting the investigation to the scientific community at large to reach a future consensus that will either confirm or deny the team's conclusion.







