Description
12 December 2005
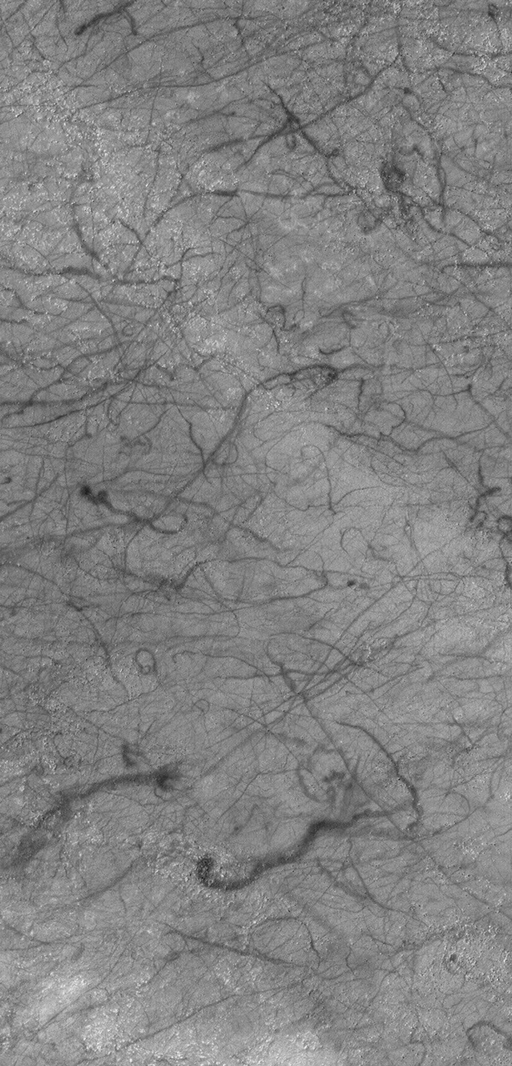
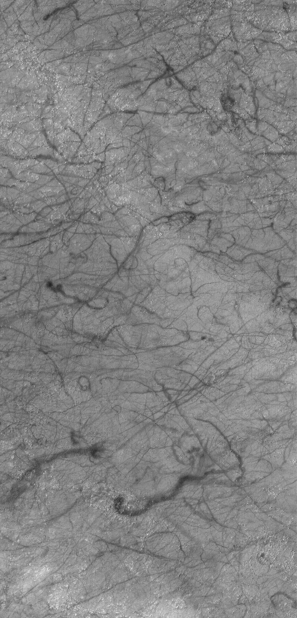
This Mars Global Surveyor (MGS) Mars Orbiter Camera (MOC) image shows dark squiggles and streaks created by passing spring and summer dust devils near Pallacopas Vallis in the martian southern hemisphere.
Location near: 53.9°S, 17.2°W
Image width: width: ~3 km (~1.9 mi)
Illumination from: upper left
Season: Southern Summer







