AMLAMP (Antarctic Meteorite Location and Mapping Project)
Filters

In the center of this electron microscope image of a small chip from a meteorite are several tiny structures that…

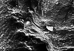
This electron microscope image is a close-up of the center part of photo number S96-12301.

This electron microscope image shows extremely tiny tubular structures that are possible microscopic fossils of bacteria-like organisms that may have…

This electron microscope image shows egg-shaped structures, some of which may be possible microscopic fossils of Martian origin as discussed…

This electron microscope image shows tubular structures of likely Martian origin. These structures are very similar in size and shape…

This high-resolution scanning electron microscope image shows an unusual tube-like structural form that is less than 1/100th the width of…

This photograph shows orange-colored carbonate mineral globules found in a meteorite, called ALH84001, believed to have once been a part…

This 4.5 billion-year-old rock, labeled meteorite ALH84001, is one of 10 rocks from Mars in which researchers have found organic…


