Downloads
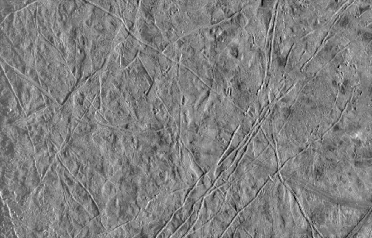
This image of Europa, an icy satellite of Jupiter, was obtained from a range of 39,028 miles (62,089 kilometers) by the Galileo spacecraft during its fourth orbit around Jupiter and its first close pass of Europa. The image spans an area 157 miles by 244 miles (252 kilometers by 393 kilometers), and shows features as small as a mile (1.6 kilometers) across. Sun illumination is from the right, revealing several ridges crossing the scene, plateaus commonly several miles (10 kilometers) across, and patches of smooth, low-lying darker materials. No prominent impact craters are visible, indicating the surface in this location is not geologically ancient. Some ridges have gaps, and subtle textural differences in these areas indicate that missing ridge segments probably were swept away by volcanic flows. The flow deposits are probably composed mainly of water ice, the chief constituent of the surface of Europa.







