Description
28 November 2005
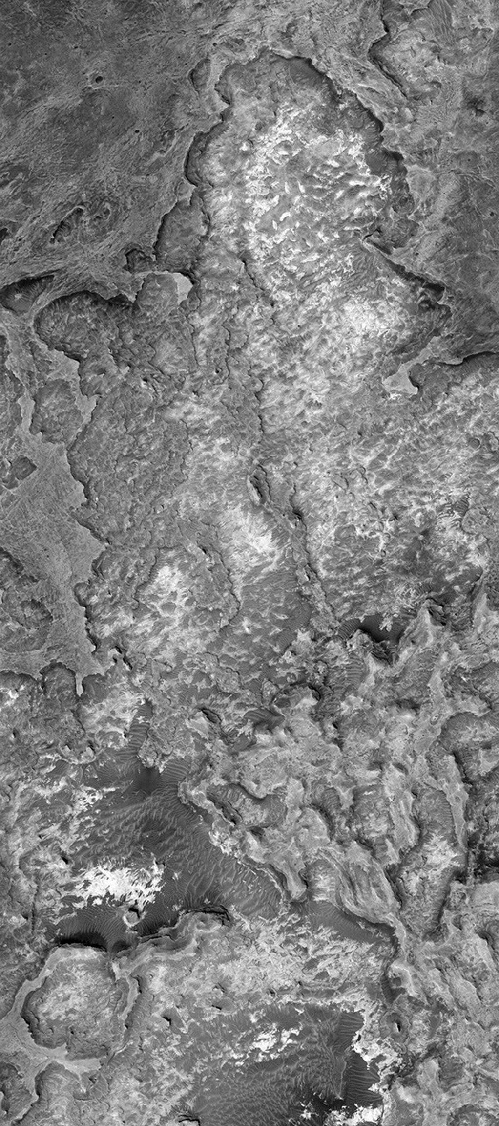
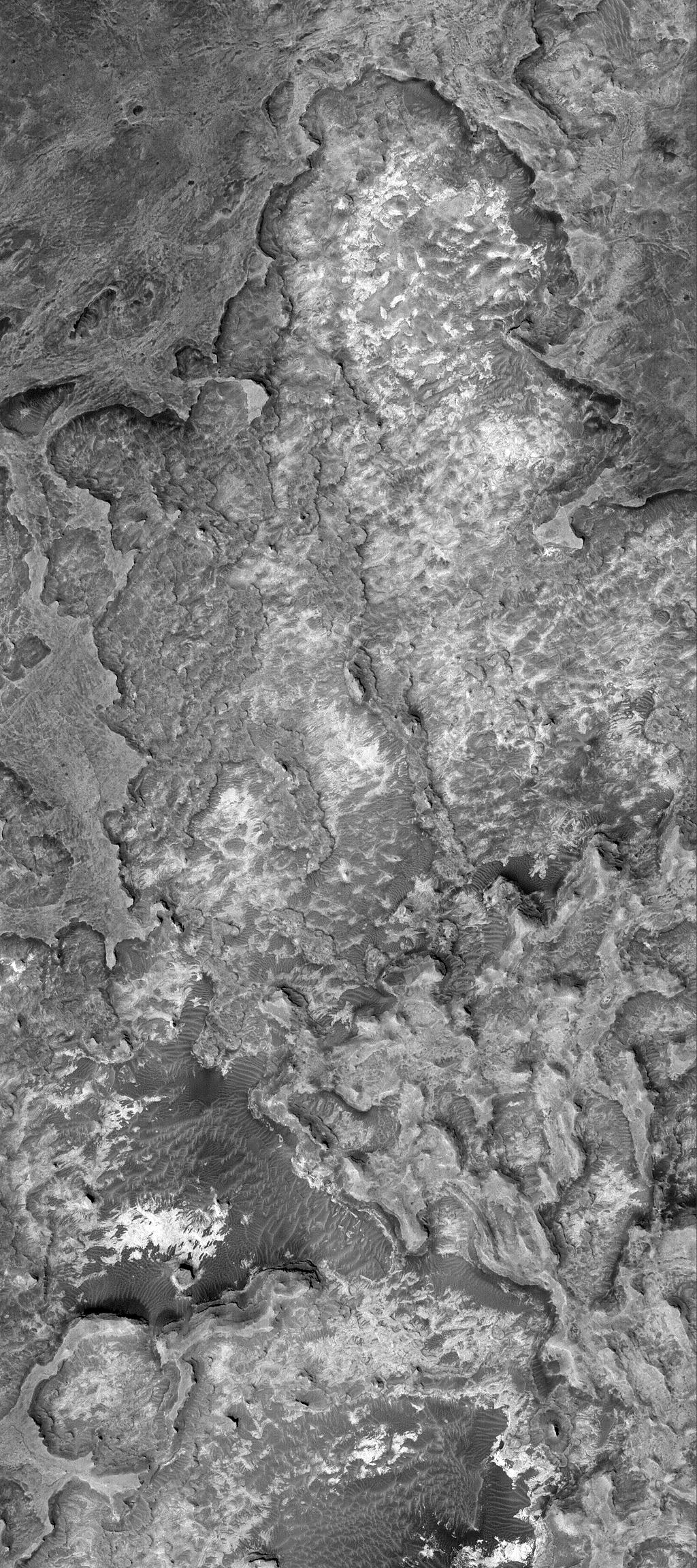
This Mars Global Surveyor (MGS) Mars Orbiter Camera (MOC) image shows eroded sedimentary rock outcrops in northern Sinus Meridiani.
Location near: 3.6°N, 2.0°W
Image width: width: ~3 km (~1.9 mi)
Illumination from: lower left
Season: Northern Winter







