lamination
Filters

Which Came First? Vug or Spherule?
1 min read
NASA's Mars Exploration Rover Opportunity shows a close-up of the region dubbed 'El Capitan,' which lies within the rock outcrop…
Mar 2, 2004
Article

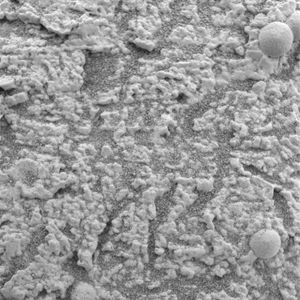
Larger Grains Suggest Presence of Fluid
1 min read
NASA's Mars Exploration Rover Opportunity shows an extreme close-up of the 'El Capitan' region, part of the rock outcrop at…
Mar 2, 2004
Article


